본문 바로가기
주메뉴 바로가기
Home
/
Contact us
/
Sitemap
/
관리자페이지
주메뉴
회사소개
대표인사말
경영방침
오시는길
보유기계현황
취급분야
매입의뢰
매각의뢰
철거의뢰
커뮤니티
공지사항
질문과 답변
보유기계현황
기계 납품 현황
산업기계 전체제품
식품가공기계
믹서기
100L이하
101~500L
501~1000L
1~5㎥ 미만
5~10㎥ 미만
10~100㎥ 미만
살균기 / 포장기
기타 식품설비
공정기기(식품/화학공통)
반응기 / 저장탱크 / 교반탱크 / 추출기 / 농축기
100L 이하
101~500L
501~1000L
1~5㎥ 미만
5~10㎥ 미만
10~100㎥ 미만
건조기 / 여과기 / 필터하우징
선별기/분급기
원심분리기
분쇄기 / 탈수기
유화 / 분산 / 혼합기기 / 미립화설비
제약기계
정제 / 캡슐 / 과립기
멸균기 / 클린설비
제약 포장라인
유틸리티 / 공조설비
에어콤프레샤 / 드라이어
진공펌프 / 냉동기
히터 / 칠러
열교환기
팬류 / 송풍기
위생 / 환경설비
세척기 / 살균기
집진 / 정수 / 폐수처리/ 항온항습기
이송기기
스크류 / 진공 이송기
컨베이어 / 리프트
밸브 / 호퍼 / 투입기
펌프류(유체 이송용)
자동화 / 제어설비
계량기 / 충진 시스템
자동라인
기타
>
보유기계현황
>
품명
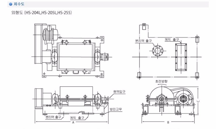
연속식 원심분리기
사양
HS-205L, 1,500~2,500L/h, 폐수처리 등 넓은 활용용도
제조사
IHI(JAPAN)
수량
1대
규격
1600*1600*1500
상세정보
시운전 동영상
목록으로